MPVB090AL1行星减速机在数控机床中的应用与选型
数控机床对加工精度要求极高,MPVB090AL1 系列行星减速机的高精度传动特性能够有效地提高机床的定位精度和重复定位精度。通过精确的齿轮啮合和优化的结构设计,减速机可以将电机的
MPVB090AL1P0行星减速机按需定制服务
定制服务的第一步是与客户进行深入的沟通和交流。专业的技术团队会详细询问客户的应用领域、工作环境、负载要求、转速需求、精度要求等关键信息。例如,在汽车制造行业中,客
MPVB090AL1行星减速机在印刷设备中的应用
印刷设备在运行过程中需要克服各种阻力,如纸张的张力、油墨的粘性等。MPVB090AL1 行星减速机能够提供高扭矩输出,满足印刷设备对动力的需求。无论是高速印刷还是印刷厚重的纸张,
MPVB090AL1行星减速机低背隙高精度的优势
在现代工业领域中,对传动设备的精度和性能要求越来越高。MPVB090AL1 行星减速机以其低背隙、高精度的显著优势,在众多应用场景中脱颖而出。
低背隙是 MPVB090AL1 行星减速机的
MPVB090AL2P0 精密行星减速机在医疗器械中的应用
在医疗器械领域,高精度、高可靠性的传动设备对于确保医疗设备的准确运行和患者的安全至关重要。MPVB090AL2P0 精密行星减速机以其卓越的性能,在医疗器械中发挥着重要作用。
MPVB090AL2行星减速机结构紧凑噪音低
结构紧凑是 MPVB090AL2 行星减速机的一大突出特点。在空间有限的设备中,如小型自动化生产线、精密仪器等,紧凑的设计能够极大地节省安装空间。它的体积小巧,却能实现强大的动力
MPVB090AL2行星减速机采用高刚性合金齿轮组
高刚性合金齿轮组为 MPVB090AL2 行星减速机带来了诸多重要优势。首先,高刚性确保了在承受巨大负载和冲击力时,齿轮能够保持稳定的形状和尺寸,不会轻易发生变形或损坏。在一些重
MPVB090AL1P0 行星减速机的耐磨提高了稳定性
耐磨特性是 MPVB090AL1P0 行星减速机的一大亮点。在减速机的运行过程中,齿轮、轴承等关键部件会不断地受到摩擦和磨损。如果这些部件的耐磨性不足,就会导致减速机的性能下降,甚至
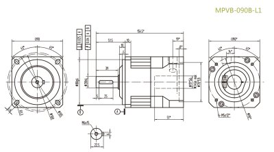
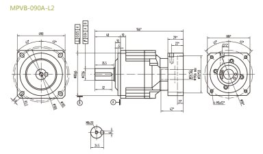
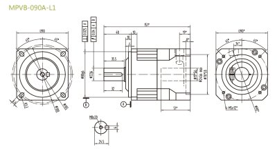
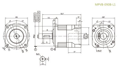
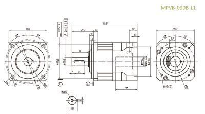
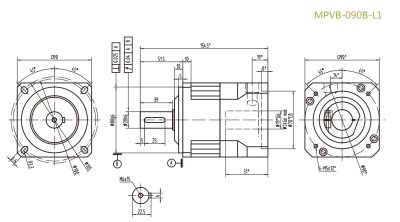
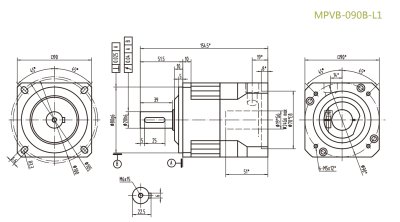
MPVB090BL1精密行星减速机型号_尺寸_图纸_参数
MPVB-090B-L1系列超精密背隙行星减速机系列(P0): MPVB-090B-L1系列精密背隙行星减速器系列(P1): MPVB-090B-L1系列标准背隙行星减速机系列(P2):
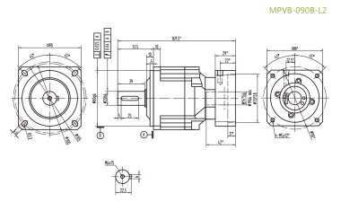
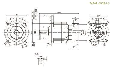
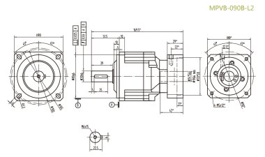
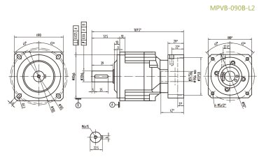
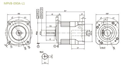
MPVB090BL2精密行星减速器型号_尺寸_图纸_参数
MPVB-090B-L2系列超精密背隙行星减速机系列(P0): MPVB-090B-L2系列精密背隙行星减速器系列(P1): MPVB-090B-L2系列标准背隙行星减速机系列(P2):
MPVB090BL1精密行星减速机的装配工艺
在装配 MPVB090BL1 精密行星减速机之前,首先要对各个零部件进行严格的准备和检验。齿轮、轴、轴承、箱体等关键部件需经过高精度的加工,确保尺寸精度和表面质量符合设计要求。
MPVB090BL1P0行星减速机高精度的优势
MPVB090BL1P0 行星减速机的高精度特性使其在传动过程中能够实现非常精确的转速和扭矩控制。这对于需要精确运动控制的设备来说至关重要,如数控机床、自动化生产线等。通过精确的减
MPVB090B行星减速机在精密数控设备中的应用
精密数控设备对加工精度要求极高,MPVB090B 行星减速机的高精度传动特性能够满足这一需求。其采用先进的行星齿轮传动结构,通过多个行星齿轮同时与太阳轮和内齿圈啮合,实现了
MPVB090B 行星减速机在自动化生产线中的应用
自动化生产线对产品的精度要求极高,任何微小的误差都可能影响产品的质量和性能。MPVB090B 行星减速机具有高精度的传动特性,能够将电机的高速旋转精确地转换为所需的低速输出,
MPVB090BL1 行星减速机与普通减速机的不同之处
在现代工业领域中,减速机作为一种重要的传动设备,被广泛应用于各种机械设备中。MPVB090BL1 行星减速机与普通减速机相比,具有许多显著的不同之处。
MPVB090BL2 行星减速机安装注意事项
在工业生产中,MPVB090BL2 行星减速机的正确安装对于设备的正常运行和使用寿命至关重要。以下是安装该行星减速机时需要注意的事项。
MPVB090BL2 行星减速机在电镀设备中的应用与安装
电镀过程需要精确控制工件的移动速度,以确保镀层的均匀性和质量。MPVB090BL2 行星减速机能够提供稳定且精确的减速比,将电机的高速旋转转换为适合电镀工艺的低速运动,从而实现
MPVB090BL2 行星减速机抗冲击与防振动的卓越优势
MPVB090BL2 行星减速机在设计和制造过程中充分考虑了抗冲击的需求。其结构坚固,采用高强度的材料和先进的制造工艺,能够承受较大的冲击力。例如,在一些重型机械领域,设备在启动
MPVB090BL2行星减速机降低振动与噪音的安装方式
在安装 MPVB090BL2 行星减速机之前,需要进行充分的准备工作。首先,要检查减速机的型号和规格是否与设备要求相符,确保所购买的减速机能够满足实际应用需求。其次,要检查减速
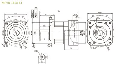
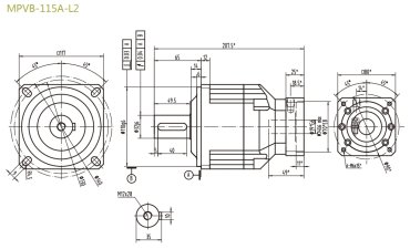
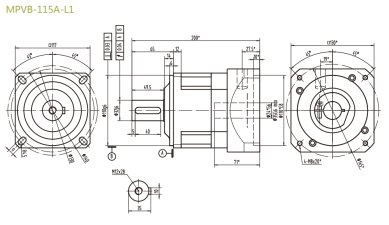
MPVB115AL1精密行星减速机型号_尺寸_图纸_参数
MPVB-115A-L1系列超精密背隙行星减速机系列(P0): MPVB-115A-L1系列精密背隙行星减速器系列(P1): MPVB-115A-L1系列标准背隙行星减速机系列(P2):
MPVB115AL2精密行星减速机型号_尺寸_图纸_参数
MPVB-115A-L2系列超精密背隙行星减速机系列(P0): MPVB-115A-L2系列精密背隙行星减速器系列(P1): MPVB-115A-L2系列标准背隙行星减速机系列(P2):
MPVB115AL1精密行星减速机的安装注意事项
在工业领域中,MPVB115AL1 精密行星减速机以其高精度、高可靠性的特点被广泛应用。然而,为了确保其性能的充分发挥和使用寿命的延长,正确的安装至关重要。以下是安装 MPVB115AL1 精密
MPVB115AL1精密行星减速机更换润滑油指南
在工业生产中,MPVB115AL1 精密行星减速机的正常运行离不开良好的润滑。定期更换润滑油可以确保减速机的性能稳定,延长其使用寿命。以下是关于 MPVB115AL1 精密行星减速机更换润滑油
MPVB115AL2P0 行星减速机在精密数控车床中的应用
精密数控车床对加工精度的要求极高,任何微小的误差都可能影响产品的质量。MPVB115AL2P0 行星减速机具有高精度的传动特性,能够将电机的高速旋转精确地转换为所需的低速输出,确保



