MPVB115AL2P0行星减速机的常见故障及解决方法
MPVB115AL2P0 行星减速机的一些常见故障及解决方法:
减速机过热:
可能原因:润滑油不足或变质、过载运行、散热不良、频繁启停等。
解决方法:检查并添加适量
MPVB115AL2行星减速机在新能源领域的应用
风力发电机组通常需要在恶劣的自然环境下长时间运行,对传动系统的要求极高。MPVB115AL2 行星减速机在风力发电中,能够将风轮的低速旋转转换为发电机所需的高速旋转,提高发电效率
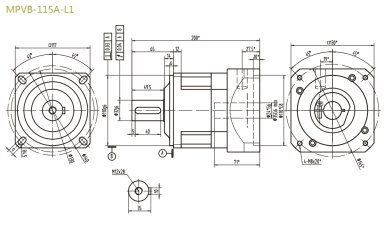
MPVB115AL1P0行星减速机如何安装能提高安全性
MPVB115AL1P0行星减速机如何安装能提高安全性,在工业生产中,确保设备的安全运行至关重要。对于 MPVB115AL1P0 行星减速机来说,正确的安装方式可以大大提高其安全性。以下是一些安装该
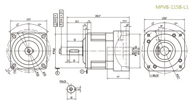
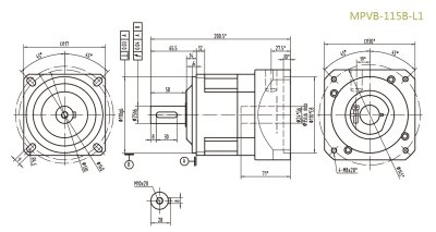
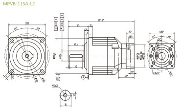
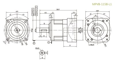
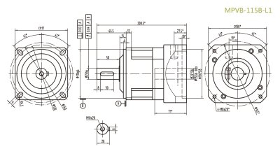
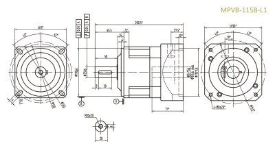
MPVB115BL1精密行星减速器型号_尺寸_图纸_参数
MPVB-115B-L1系列超精密背隙行星减速机系列(P0): MPVB-115B-L1系列精密背隙行星减速器系列(P1): MPVB-115B-L1系列标准背隙行星减速机系列(P2):
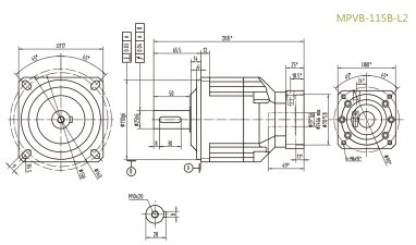
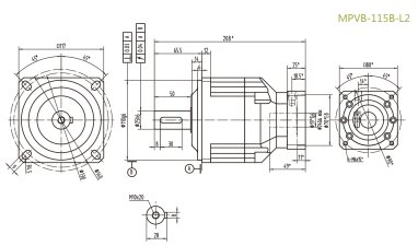
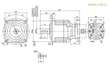
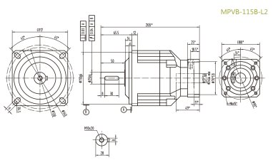
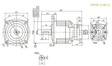
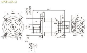
MPVB115BL2精密行星减速器型号_尺寸_图纸_参数
MPVB-115B-L2系列精密行星减速器型号尺寸与图纸 MPVB-115B-L2系列精密行星减速器型号如下,不同厂家的 行星减速机 型号表示方式之间有差异,具体型号可咨询客服了解,或者直接拨打我们的
MPVB115BL1精密行星减速器的常见应用领域
在自动化生产线中,MPVB115BL1 精密行星减速器可用于驱动各种机械设备,如输送带、机器人关节、自动化仓储设备等。其高精度和高扭矩输出能够确保设备运行的准确性和稳定性,提高生
MPVB115BL1行星减速器在工业自动化中的应用
MPVB115BL1行星减速器在工业自动化中的应用, 工业自动化生产线对设备的定位精度和运动控制要求极高。MPVB115BL1 行星减速器具有高精度的传动特性,能够将电机的高速旋转精确地转换
MPVB115BL2行星减速器精度高抗疲劳性好
MPVB115BL2 行星减速器精度高抗疲劳性好 在现代工业领域中,高效、精准且可靠的传动设备对于生产的顺利进行至关重要。MPVB115BL2 行星减速器以其卓越的精度和出色的抗疲劳性能,在众
MPVB115BL2P0精密行星减速器的定制与安装
在工业生产中,为了满足特定的需求,常常需要定制精密行星减速器。MPVB115BL2P0 精密行星减速器以其卓越的性能和可靠性,成为众多企业的首选。下面将详细介绍该减速器的定制与安装
MPVB115BL2精密行星减速器在食品灌装中的应用
在食品加工行业中,食品灌装是一个关键环节,其效率和精度直接影响着产品的质量和生产效益。MPVB115BL2 精密行星减速器以其卓越的性能,在食品灌装领域发挥着重要作用。
MPVB115BL2精密行星减速器定位控制准确
在现代工业生产中,精确的定位控制是实现高效、高质量生产的关键。MPVB115BL2 精密行星减速器以其卓越的定位控制准确性,在众多领域发挥着重要作用。
MPVB115BL1行星减速器抗冲击稳定性好
MPVB115BL1 行星减速器在设计上充分考虑了抗冲击的需求。其采用坚固的结构和高质量的材料,能够有效承受外部冲击。例如,在一些重型机械领域,设备在运行过程中可能会受到较大的冲
MPVB115BL1P0 精密行星减速器的定制流程
在工业领域中,为了满足特定的生产需求,常常需要定制精密行星减速器。MPVB115BL1P0 精密行星减速器以其优异的性能和可靠性,成为众多企业定制的首选。下面将详细介绍该减速器的定
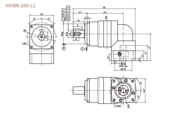
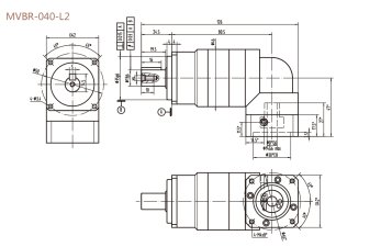
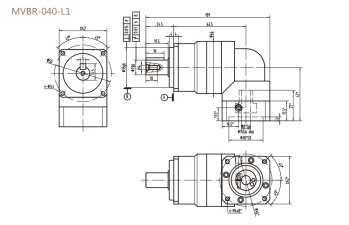
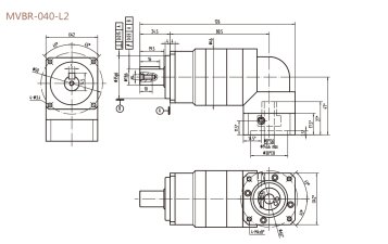
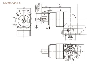
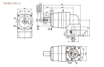
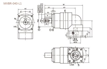
MVBR040L1行星减速机型号_尺寸_图纸_参数
MVBR-040-L1系列超精密背隙行星减速机系列(P0): MVBR-040-L1系列精密背隙行星减速器系列(P1): MVBR-040-L1系列标准背隙行星减速机系列(P2):
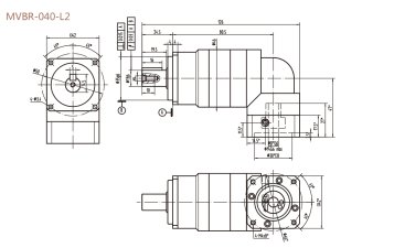
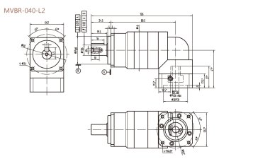
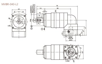
MVBR040L2行星减速机型号_尺寸_图纸_参数
MVBR-040-L2系列超精密背隙行星减速机系列(P0): MVBR-040-L2系列精密背隙行星减速器系列(P1): MVBR-040-L2系列标准背隙行星减速机系列(P2):
MVBR040L2直角轴行星减速机的特点与优势
MVBR040L2 直角轴行星减速机采用直角轴设计,这种设计能够在有限的空间内实现高效的动力传输。它可以将输入轴的旋转运动转换为输出轴的直角方向运动,极大地节省了安装空间。同时
MVBR040L1直角轴行星减速机的应用场合
在工业自动化生产线中,精度和可靠性是至关重要的。MVBR040L1 直角轴行星减速机能够为各种自动化设备提供精确的运动控制。例如,在机器人的关节驱动中,它可以将电机的高速旋转转
MVBR040系列行星减速机在食品加工中的选型指南
在食品加工行业中,选择合适的 MVBR040 系列行星减速机至关重要,它不仅关系到生产效率,还涉及到食品卫生与安全。以下是在食品加工中进行选型的一些关键步骤和考虑因素。
MVBR040L2P0精密行星减速机的定做流程
在许多特定的工业应用场景中,标准的 MVBR040L2P0 精密行星减速机可能无法完全满足需求,这时定做就成为了一种理想的解决方案。以下是该精密行星减速机的定做流程。
MVBR040L2行星减速机在自动化设备中的应用案例
在当今高度自动化的工业生产环境中,MVBR040L2 行星减速机以其卓越的性能和可靠的品质,在各类自动化设备中发挥着重要作用。
MVBR040行星减速机在自动分拣系统中表现突出
在当今高效物流的时代,自动分拣系统成为了物流行业的关键环节。而在众多关键组件中,MVBR040 行星减速机以其卓越的性能在自动分拣系统中表现尤为突出。
自动分拣系统是一
MVBR040L1P0行星减速机具有低背隙高精度的优势
在当今工业领域,对机械传动设备的要求越来越高,精度和稳定性成为关键指标。MVBR040L1P0 行星减速机以其低背隙和高精度的显著优势,在众多传动设备中脱颖而出。
MVBR040L2行星减速机在输送设备中的应用
在现代工业生产中,输送设备起着至关重要的作用,它能够高效地将各种物料从一个地方运输到另一个地方,极大地提高了生产效率。而 MVBR040L2 行星减速机以其卓越的性能和可靠的品质
MVBR040L2 行星减速机在节能减排上的作用
在当今全球高度关注环境保护和可持续发展的背景下,节能减排已成为各个行业的重要任务。MVBR040L2 行星减速机以其独特的性能和优势,在节能减排方面发挥着重要作用。



