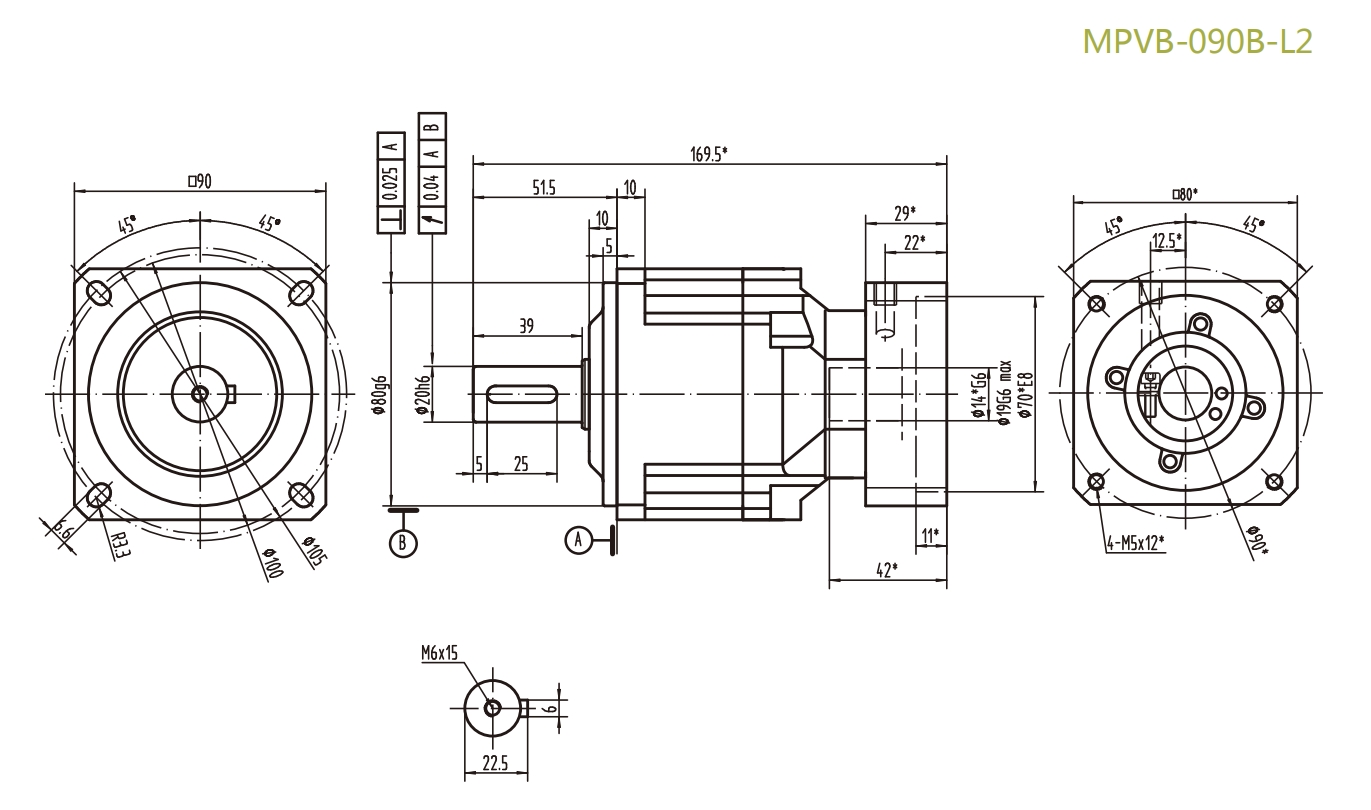
MPVB090BL2 行星减速机安装注意事项
在工业生产中,MPVB090BL2 行星减速机的正确安装对于设备的正常运行和使用寿命至关重要。以下是安装该行星减速机时需要注意的事项。

一、安装前的准备工作
检查减速机的型号和规格是否与设备要求相符,确保所购买的减速机能够满足实际应用需求。
检查减速机的外观是否有损坏或变形,如有问题应及时联系厂家进行处理。
准备好安装所需的工具和设备,如扳手、螺丝刀、千斤顶等。
清理安装场地,确保安装环境干净、整洁,无杂物和灰尘。
二、安装过程中的注意事项
安装位置的选择:减速机应安装在平稳、坚固的基础上,避免安装在振动较大或容易受到外力冲击的地方。同时,要确保减速机的安装位置便于维护和保养。
轴线对中:在安装减速机时,要确保输入轴和输出轴与电机和负载的轴线对中良好。轴线不对中会导致减速机运行时产生振动和噪音,降低传动效率,甚至损坏减速机。可以使用专业的对中工具进行对中调整。
螺栓紧固:安装减速机时,要使用合适的螺栓和螺母进行紧固,确保连接牢固可靠。螺栓的紧固力矩要按照厂家规定的数值进行调整,避免过紧或过松。
润滑系统的安装:MPVB090BL2 行星减速机通常需要安装润滑系统,以保证齿轮和轴承的正常运转。在安装润滑系统时,要确保管路连接正确,润滑油的品质和数量符合要求。
电气连接:如果减速机带有电机或需要进行电气连接,要确保电气连接正确、牢固,符合相关的电气安全标准。
三、安装后的检查和调试
安装完成后,要对减速机进行全面的检查,包括螺栓的紧固情况、润滑系统的运行情况、电气连接的可靠性等。
进行空载试运行:在正式投入使用前,要对减速机进行空载试运行,检查减速机的运转是否平稳、有无异常噪音和振动。如果发现问题,要及时进行调整和处理。
负载试运行:在空载试运行正常后,可以逐渐增加负载进行试运行,观察减速机在不同负载下的运行情况。如果负载试运行过程中出现问题,要及时停机检查,排除故障后再继续运行。
总之,正确安装 MPVB090BL2 行星减速机是确保设备正常运行和延长使用寿命的关键。在安装过程中,要严格按照厂家的安装说明进行操作,注意各个环节的细节问题,确保安装质量。



