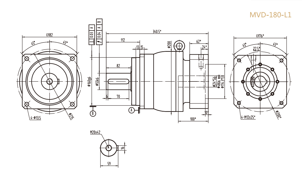
MVD-180-L1系列精密行星减速器的选型与安装
在机械传动系统中,精密行星减速器起着至关重要的作用。MVD-180-L1 系列精密行星减速器以其高精度、高扭矩、低噪音等优点,广泛应用于各种工业领域。正确的选型和安装是确保减速器性能和使用寿命的关键。本文将结合实例详细叙述 MVD-180-L1 系列精密行星减速器的选型与安装过程。

一、MVD-180-L1选型考虑因素
1,负载特性
首先需要明确设备所承受的负载类型,是恒定负载还是变动负载。例如,在数控机床的进给系统中,负载相对较为恒定;而在物料搬运机械中,负载可能会有较大的变动。
计算负载扭矩,这是选型的重要依据。比如,某物料搬运机械的负载重量为 500kg,移动速度为 1m/s,摩擦系数为 0.1,通过公式计算得出负载扭矩。
2,输出转速要求
根据设备的工作需求确定减速器的输出转速。以自动化生产线中的旋转工作台为例,其要求的转速为 30rpm,通过计算选择合适的减速比。
3,安装空间限制
考虑减速器的安装位置和可用空间。如在空间紧凑的机器人关节处,需要选择体积小巧的 MVD-180-L1 型号。
4,精度要求
对于精度要求高的设备,如精密测量仪器,应选择精度等级更高的 MVD-180-L1 减速器。
三、MVD-180-L1选型实例
我们要为一台印刷机械的传动系统选择 MVD-180-L1 系列精密行星减速器。该印刷机械的驱动电机功率为 5kW,转速为 1500rpm,要求输出转速为 150rpm,负载扭矩为 200N·m。
首先,计算减速比:减速比=输入转速/ 输出转速= 1500/150=10:1
然后,根据负载扭矩和减速比,查阅 MVD-180-L1 系列减速器的选型手册,选择能够满足要求的型号,假设选定型号为 MVD-180-L1-10。

四、安装步骤
1,准备工作
检查减速器和相关零部件是否完好无损。
清洁安装表面,确保无杂物和油污。
2,安装减速器
将减速器与电机轴对齐,使用联轴器或连接法兰进行连接,并确保连接牢固。
安装固定减速器的地脚螺栓或支架,注意调整水平度和垂直度。
3,连接输入和输出轴
按照规定的方式连接输入轴与电机,输出轴与负载。
确保连接部位的同轴度和对中性,以减少振动和噪音。
4,润滑和密封
根据减速器的使用要求,添加适量的润滑油。
检查油封和密封件,确保无泄漏。
5,调试和测试
安装完成后,进行空载和负载试运行,检查减速器的运行是否平稳,有无异常噪音和发热现象。
对输出转速和扭矩进行测量,验证是否符合设计要求。
五、注意事项
在安装过程中,严禁使用锤子等工具直接敲击减速器,以免损坏内部零件。
安装完成后,应定期检查减速器的润滑油液位和质量,及时更换。
避免减速器在过载或超速的情况下运行,以免影响使用寿命。
六、结论
正确的选型和安装 MVD-180-L1 系列精密行星减速器对于提高机械设备的性能和可靠性至关重要。在选型时,充分考虑负载特性、转速要求、安装空间和精度等因素;在安装过程中,严格按照步骤进行操作,并注意相关的注意事项。通过合理选型和正确安装,可以充分发挥 MVD-180-L1 系列精密行星减速器的优势,为机械设备的稳定运行提供有力保障。



