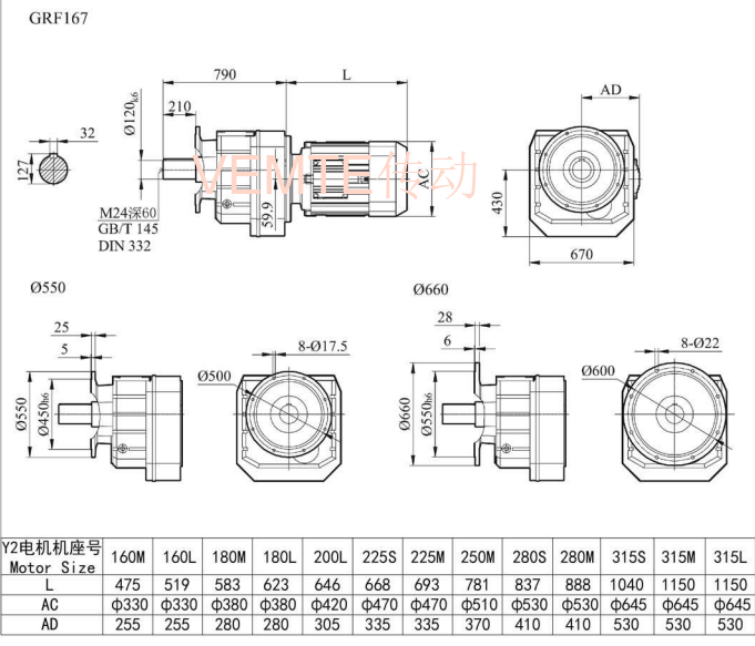
RF167减速电机型号如下,不同厂家的型号表示方式之间有差异,具体型号可咨询客服了解
| RF167DVE160M4 | RF167DE160M4 | RF167AG160M4 | RF167AQA160M4 | RF167AQH160M4 | RF167P160M4 |
| RF167DVE180M4 | RF167DE180M4 | RF167AG180M4 | RF167AQA180M4 | RF167AQH180M4 | RF167P180M4 |
| RF167DVE200M4 | RF167DE200M4 | RF167AG200M4 | RF167AQA200M4 | RF167AQH200M4 | RF167P200M4 |
| RF167DVE225M4 | RF167DE225M4 | RF167AG225M4 | RF167AQA225M4 | RF167AQH225M4 | RF167P225M4 |
| RF167DVE250M4 | RF167DE250M4 | RF167AG250M4 | RF167AQA250M4 | RF167AQH250M4 | RF167P250M4 |
| RF167DVE280M4 | RF167DE280M4 | RF167AG280M4 | RF167AQA280M4 | RF167AQH280M4 | RF167P280M4 |
| RF167DVE315M4 | RF167DE315M4 | RF167AG315M4 | RF167AQA315M4 | RF167AQH315M4 | RF167P315M4 |
RF167大型同轴减速机的零部件材质如下:
齿轮:齿轮采用20CrMnTi材质,这是一种优质合金钢,具有高强度、高耐磨性、高冲击韧性等特性,能够保证齿轮的强度和使用寿命。
轴承:轴承材质为洛阳轴承钢,这是一种高碳铬轴承钢,具有高硬度、高耐磨性、高接触疲劳强度等特性,能够保证轴承的承载能力和使用寿命。
箱体:箱体材质为HT200,这是一种灰口铸铁,具有优良的耐腐蚀性和耐磨损性,能够保证RF167伺服电机减速机的强度和使用寿命。
输出轴:输出轴材质为40Cr,这是一种优质合金钢,具有高强度、高耐磨性、高冲击韧性等特性,能够保证输出轴的强度和使用寿命。
RF167大型同轴减速机的零部件材质均采用优质合金钢和高碳铬轴承钢等优质材料,能够保证减速机的强度、耐磨性、耐腐蚀性和使用寿命。如需了解更多信息,建议咨询减速机相关业内人士。
更多RF167减速器的性能参数请查看http://www.vem2.com




