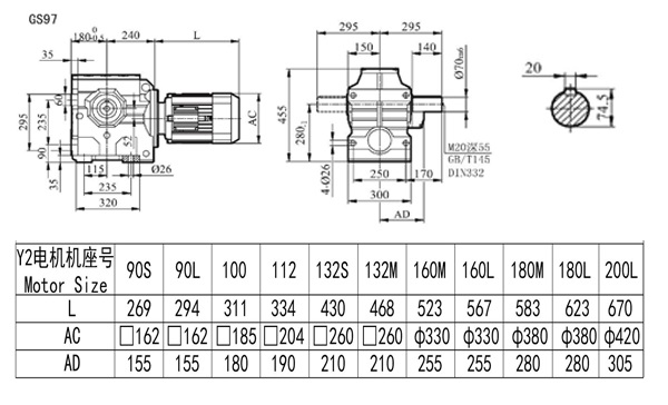
S97蜗轮自锁减速机是一种新型减速设备,具有单级双级两种类型。其结构紧凑、体积轻巧、小型高效。这种减速机采用了斜齿轮与蜗轮蜗杆结合一体传动的设计,提高了力矩与效率。
其特性包括:
规格齐全,转速范围广,通用性好,适应各种安装方式。
性能安全可靠,寿命长,实施了国际标准要求。
机体表面凹凸设计具有散热作用,吸振强,低温升,低噪音。
密封性能好,对工作环境适应性强。
5.传动精度高,特别适应在有频繁启动的场合工作,可连接各类减速器及配置各类型电机驱动,可安装在90度传动操作位置。
可配置各种类电机,形成了机电一体化,完全保证了产品使用质量特征。




