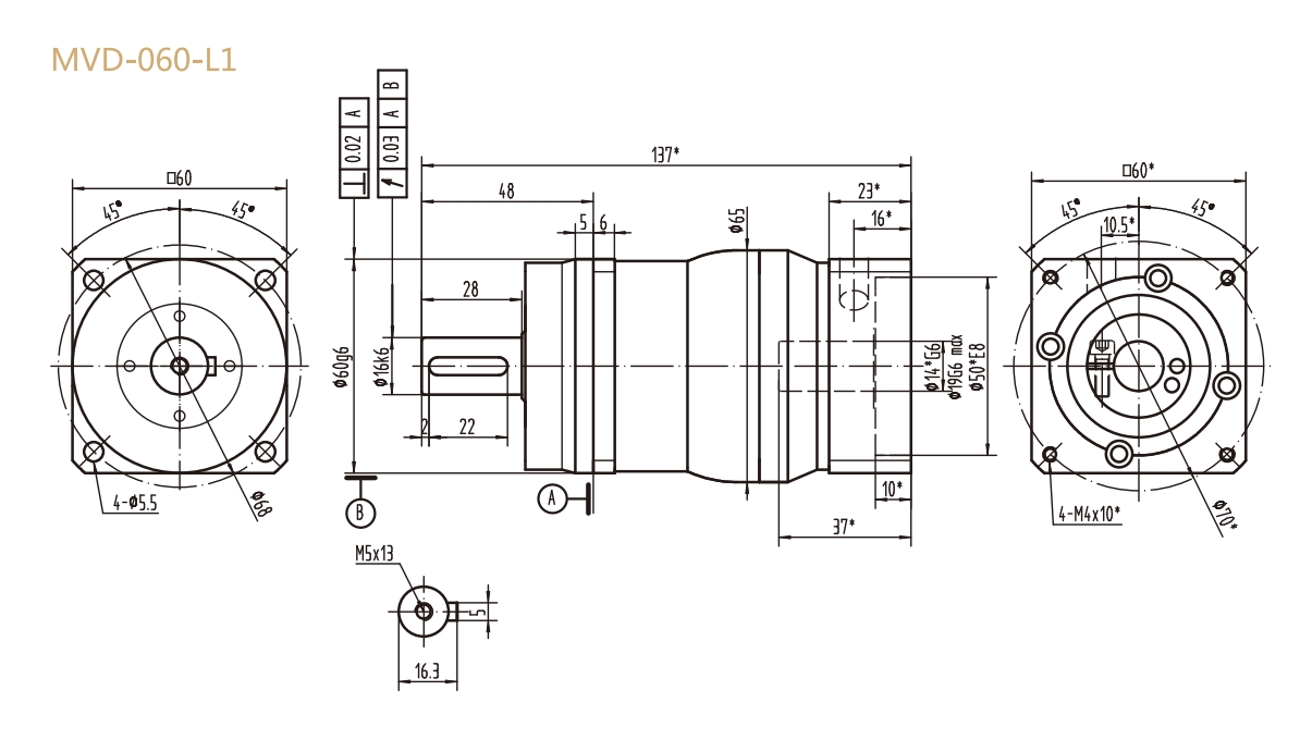
MVD-060-L1系列精密行星减速器型号尺寸与图纸
MVD-060-L1系列精密行星减速器型号如下,不同厂家的行星减速机型号表示方式之间有差异,具体型号可咨询客服了解,或者直接拨打我们的联系方式。

MVD-060-L1系列超精密背隙行星减速机系列(P0): MVD-060-L1系列精密背隙行星减速器系列(P1): MVD-060-L1系列标准背隙行星减速机系列(P2):
|
MVD-060-L1超精密背隙行星减速机(P0) |
MVD-060-L1精密背隙行星减速机(P1) |
MVD-060-L1标准背隙行星减速机(P2) |
|
MVD-060-L1-4-P0 |
MVD-060-L1-4-P1 |
MVD-060-L1-4-P2 |
|
MVD-060-L1-5-P0 |
MVD-060-L1-5-P1 |
MVD-060-L1-5-P2 |
|
MVD-060-L1-7-P0 |
MVD-060-L1-7-P1 |
MVD-060-L1-7-P2 |
|
MVD-060-L1-10-P0 |
MVD-060-L1-10-P1 |
MVD-060-L1-10-P2 |
|
MVD-060-L1-16-P0 |
MVD-060-L1-16-P1 |
MVD-060-L1-16-P2 |
|
MVD-060-L1-20-P0 |
MVD-060-L1-20-P1 |
MVD-060-L1-20-P2 |
|
MVD-060-L1-25-P0 |
MVD-060-L1-25-P1 |
MVD-060-L1-25-P2 |
|
MVD-060-L1-35-P0 |
MVD-060-L1-35-P1 |
MVD-060-L1-35-P2 |
|
MVD-060-L1-40-P0 |
MVD-060-L1-40-P1 |
MVD-060-L1-40-P2 |
|
MVD-060-L1-50-P0 |
MVD-060-L1-50-P1 |
MVD-060-L1-50-P2 |
|
MVD-060-L1-70-P0 |
MVD-060-L1-70-P1 |
MVD-060-L1-70-P2 |
|
MVD-060-L1-100-P0 |
MVD-060-L1-100-P1 |
MVD-060-L1-100-P2 |
行星减速机是一种广泛应用的机械传动装置,工业机器人,用于精确控制机器人的关节运动。自动化设备:在自动化生产线中实现速度和位置的精确调节。 机床:保证机床的高精度加工。印刷设备:确保印刷过程中的稳定运行。包装机械:满足包装机械对速度和精度的要求。纺织机械:适应纺织机械的高速运转。医疗设备:应用于医疗器械的驱动系统。航空航天领域:在飞行器中传递动力。电动汽车:为电动汽车的驱动系统提供动力传输,风力发电:用于风力发电机的变桨控制。行星减速机的优点包括结构紧凑、传动效率高、承载能力强、精度高、稳定性好等。它在各种机械设备中发挥着重要作用,有助于提高设备的性能和效率。

行星减速机在工业机械领域是个常客。如火如荼的新能源汽车行业。行星齿轮减速机在新能源汽车领域有广泛的应用,主要包括以下方面:驱动系统:它可以帮助调节电机的转速和扭矩,提高动力传递效率。制动系统:在再生制动时,起到辅助调节的作用。转向系统:为转向机构提供精准的动力支持。如果想了解更多有关行星减速机的,请打开链接http://www.vem2.com/jsj/xxjsj/ 或者直接拨打我们首席技术人员13113069953(黄工)微信同号哦。



