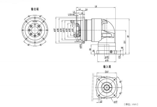
NDR090系列精密行星减速器型号尺寸与图纸
NDR090系列精密行星减速器型号如下,不同厂家的行星减速机型号表示方式之间有差异,具体型号可咨询客服了解,或者直接拨打我们的联系方式。
NDR090系列超精密背隙行星减速机系列(P0): NDR090系列精密背隙行星减速器系列(P1): NDR090系列标准背隙行星减速机系列(P2):
NDR090-4-S2-P0 ,NDR090-4-S2-P1,NDR090-4-S2-P2,
NDR090-5-S2-P0,NDR090-5-S2-P1,NDR090-5-S2-P2,
NDR090-7-S2-P0,NDR090-7-S2-P1,NDR090-7-S2-P2,
NDR090-10-S2-P0,NDR090-10-S2-P1,NDR090-10-S2-P2,
NDR090-16-S2-P0 ,NDR090-16-S2-P1,NDR090-16-S2-P2,
NDR090-20-S2-P0,NDR090-20-S2-P1,NDR090-20-S2-P2,
NDR090-25-S2-P0,NDR090-25-S2-P1,NDR090-25-S2-P2,
NDR090-35-S2-P0,NDR090-35-S2-P1,NDR090-35-S2-P2,
NDR090-40-S2-P0,NDR090-40-S2-P1,NDR090-40-S2-P2,
NDR090-50-S2-P0,NDR090-50-S2-P1,NDR090-50-S2-P2,
NDR090-70-S2-P0,NDR090-70-S2-P1,NDR090-70-S2-P2,
NDR090-100-S2-P0,NDR090-100-S2-P1,NDR090-100-S2-P2,

一般情况下行星减速机与R型减速机是相互配合的
行星减速机和 RV减速机可以通过以下几种方式相互配合:
串联使用:将行星减速机和 RV减速机依次连接,以获得更高的减速比和更大的扭矩输出。
并联使用:在某些应用中,可以将两者并联,以提高系统的承载能力和稳定性。
根据需求搭配:根据具体的传动要求,选择合适的连接方式和参数设置,以实现最佳的传动效果。
行星减速机和 RV减速机在很多领域都有广泛应用呢比如在工业自动化、机器人、数控机床、印刷机械、包装机械等领域,它们可以提供精准的传动和控制;在起重机械、运输设备、风力发电等领域,也能发挥重要作用;此外,在一些科研设备和特殊工程中也能看到它们的身影。
如果对行星减速机感兴趣,可以了解相关产品详情:http://www.vem2.com/jsj/xxjsj/



