RV关节减速机的工作原理是采用摆线针轮减速结构的高精密控制用减速器,可以获得良好的加速性能,实现平稳运转和获得正确的位置精度。它是一种两级减速机构,由渐开线行星齿轮传动和摆线针轮传动构成,属于曲柄式封闭差动轮系,具有并联结构与多齿啮合约束的结构特点。
RV关节减速机型号如下,不同厂家型号表示方式之间有差异,具体型号可咨询客服了解。
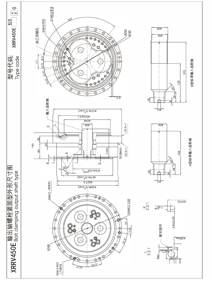
| RV450E-81-B | HRV450E-81-B | XRRV450E-81-B |
| RV450E-101-B | HRV450E-101-B | XRRV450E-101-B |
| RV450E-118.5-B | HRV450E-118.5-B | XRRV450E-118.5-B |
| RV450E-129-B | HRV450E-129-B | XRRV450E-129-B |
| RV450E-154.85-B | HRV450E-154.85-B | XRRV450E-154.85-B |
| RV450E-171-B | HRV450E-171-B | XRRV450E-171-B |
| RV450E-192.43-B | HRV450E-192.43-B | XRRV450E-192.43-B |
RV-E系列减速器特点
1.传动比范围大。
2.扭转刚度大。输出机构为两端支承的行星架,其扭转刚度远大于一般摆线针轮行星减速机的输出机构。在额定转矩下,弹性回差小。
3.设计合理、制造和装配精度得到保证时,可实现高精度和小间隙回差。
4.传动效率高。
5.体积小,重量轻。由于第一级为行星轮传动,第二级为摆线针轮多齿啮合传动,同时传动机构可置于行星架的支承轴承内,使轴向尺寸大为缩减, 故体积大为减小。

RV关节减速机使用场景:
工业机器人:RV关节减速机是工业机器人中的关键部件,用于精确控制机器人的关节运动。
数控机床:需要精确传动和定位的设备经常采用谐波减速机。
航空航天与军工领域:由于其对精度和可靠性的高要求,这些领域也常采用机器人减速器。
医疗设备:需要精确控制和高可靠性的医疗设备中也会应用到。

减速机的运行原理是利用齿轮传动的原理来实现输入轴的高速旋转运动降速并增加扭矩。这种属于斜齿轮减速机,他的内部装有多个齿轮,其中至少有两个齿轮相互咬合。输入轴的齿轮(也称为驱动齿轮)与输出轴的齿轮(也称为从动齿轮)通过齿轮的咬合传递动力。由于输出轴的齿轮的尺寸较大,相对于输入轴的齿轮,输出轴的转速会降低,而扭矩会增加。这使得减速机能够提供更大的输出扭矩。通过齿轮传动,减速机将高速、低扭矩的输入转换为低速、高扭矩的输出。
购买须知:我司VEMTE品牌所有系列产品,标准常用的,仓库均备有现货2000台左右,非常用的需排单定做,请联系客服咨询货期。凡购买我司品牌VEMTE系列产品,不分价格高低,保修期内非人为原因返回厂家维修或者是快递零部件给用户自己更换。两年后免费维修,只收取零件成本费用。因各种设备企业对产品的要求标准不同,如果您的设备是出口的,请告知客服转接我司VEMTE工程部,告知您的高标准,我们VEMTE工程部会为您量身定做百分百符合要求的产品。
更多机器人关节RV减速机型号请查看http://www.vem2.com



